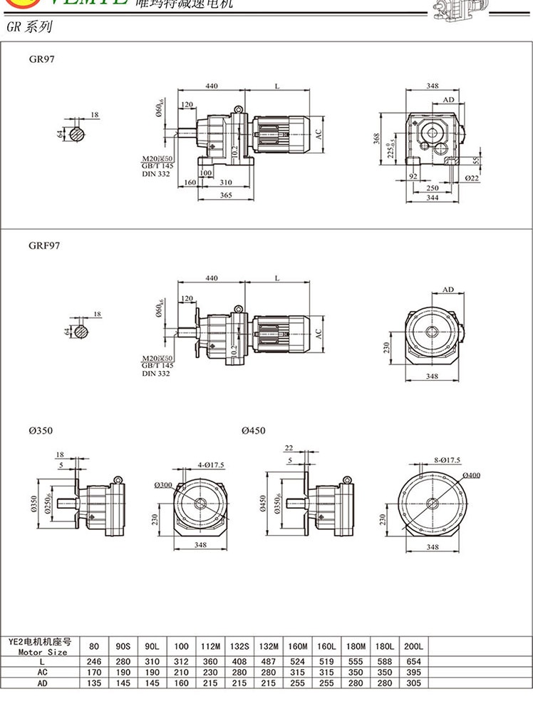
這是R系列減速機中的一款減速機,其中包括TR98減速器,TRF98減速箱,TRX98減速馬達以及TRXF98減速電機的具體的型號以及對應的尺寸圖紙。這TR系列減速機與大眾的R系列減速機是一樣的,只是不同的廠家所采用的型號書寫方式存在差異,主要查看的是這個減速機的性能參數以及安裝尺寸圖紙。
| TR98MY80M4 | TRF98MY132M4 | TRXF98MY180M4 |
| TR98MY90M4 | TRF98MY160M4 | TRXF98MY200M4 |
| TR98MY100M4 | TRX98MY80M4 | TRX98MY132M4 |
| TR98MY112M4 | TRX98MY90M4 | TRX98MY160M4 |
| TR98MY132M4 | 斜齒輪減速機 | TRF98MY100M4 |
| TR98MY160M4 | TRXF98MY90M4 | TRF98MY112M4 |
| TRF98MY80M4 | TRXF98MY100M4 | TR98MY180M4 |
| TRF98MY90M4 | TRF98MY180M4 | TR98MY200M4 |
| TRX98MY100M4 | TRF98MY200M4 | TRX98MY180M4 |
| TRX98MY112M4 | TRXF98MY112M4 | TRX98MY200M4 |
| TRXF98MY132M4 | TRXF98MY80M4 | TRXF98MY160M4 |
此文關鍵字:TR98MY100M4斜齒輪減速機型號
















