r系列斜齒輪減速器 硬齒輪減速機 同軸減速機詳細信息/Detailed Information
r系列斜齒輪減速器 硬齒輪減速機 同軸減速機
減速機型號:R07-167 RF07-167 RX07-167 RXF07-167
電機 功率:0.12KW-132KW
輸入 轉速:710-1400RPM
減速機扭矩:3.5-18000N/M
減速機比數:1比-24000比
輸出轉速范圍:0.8-700RPM
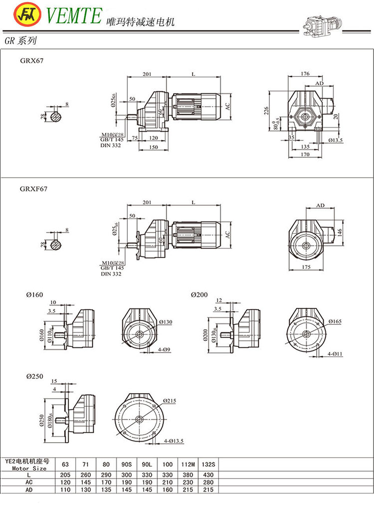
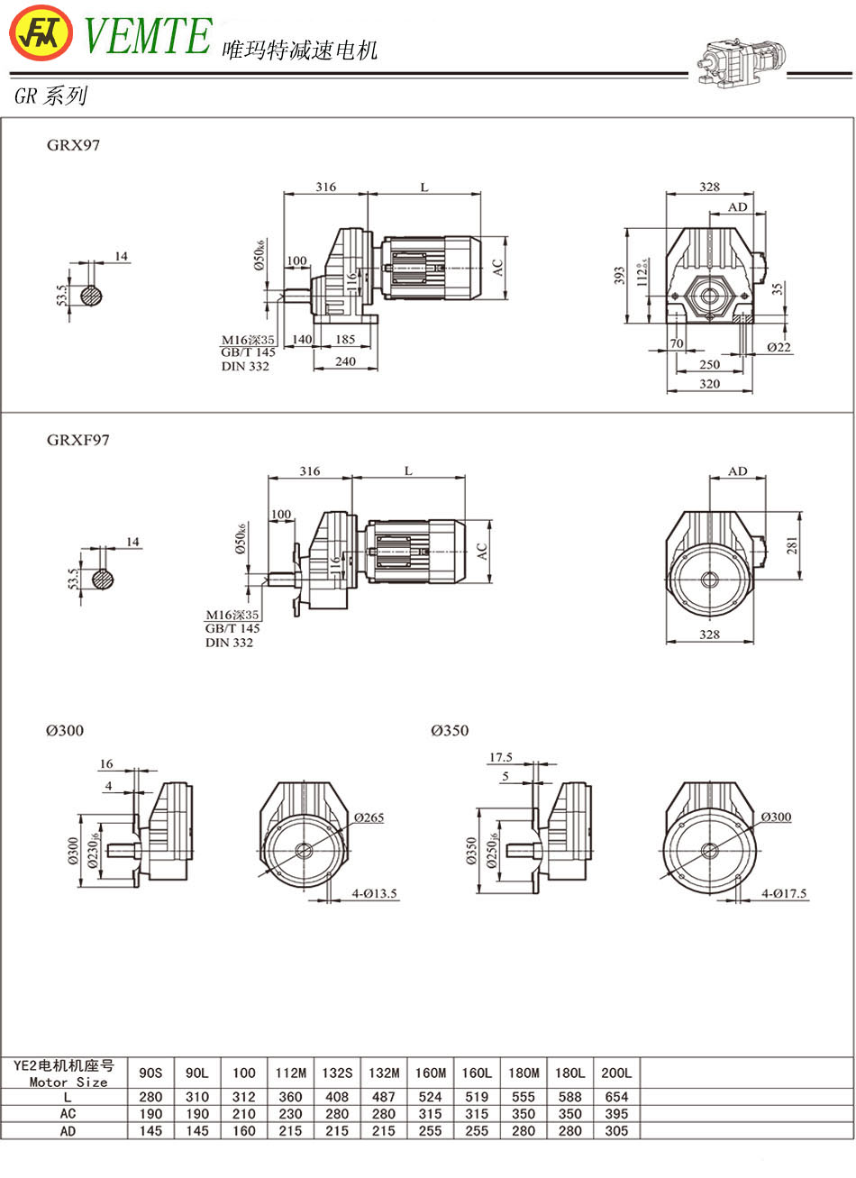
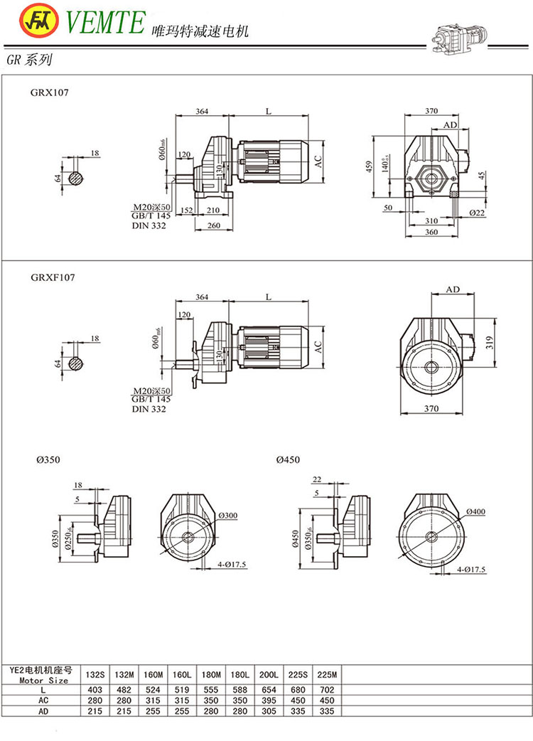
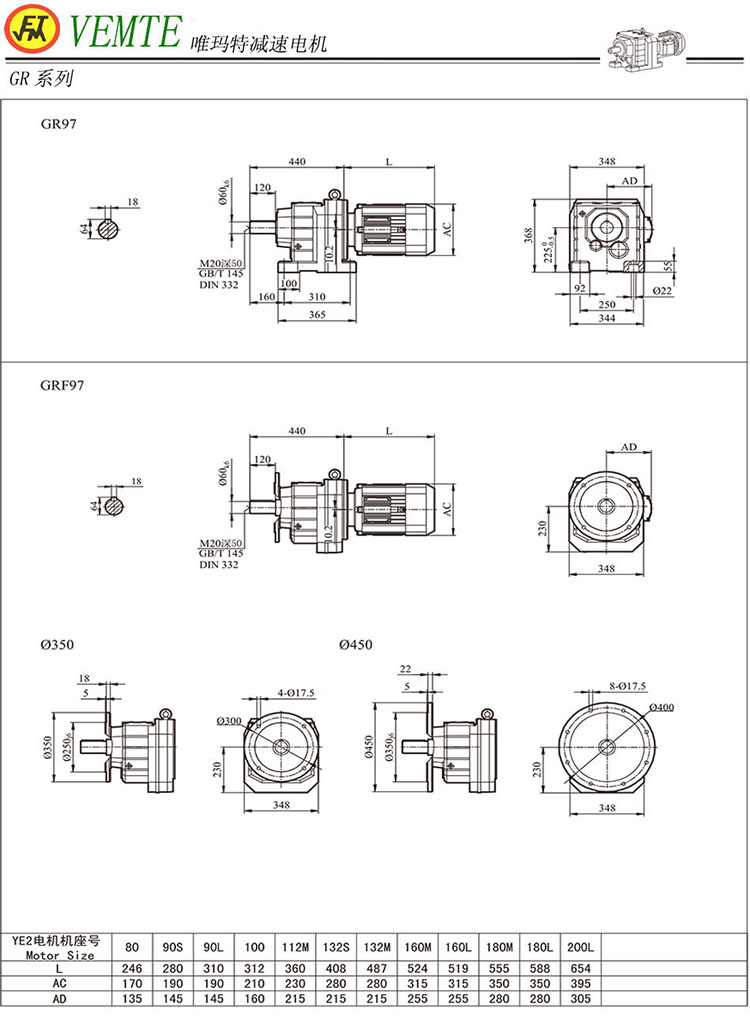
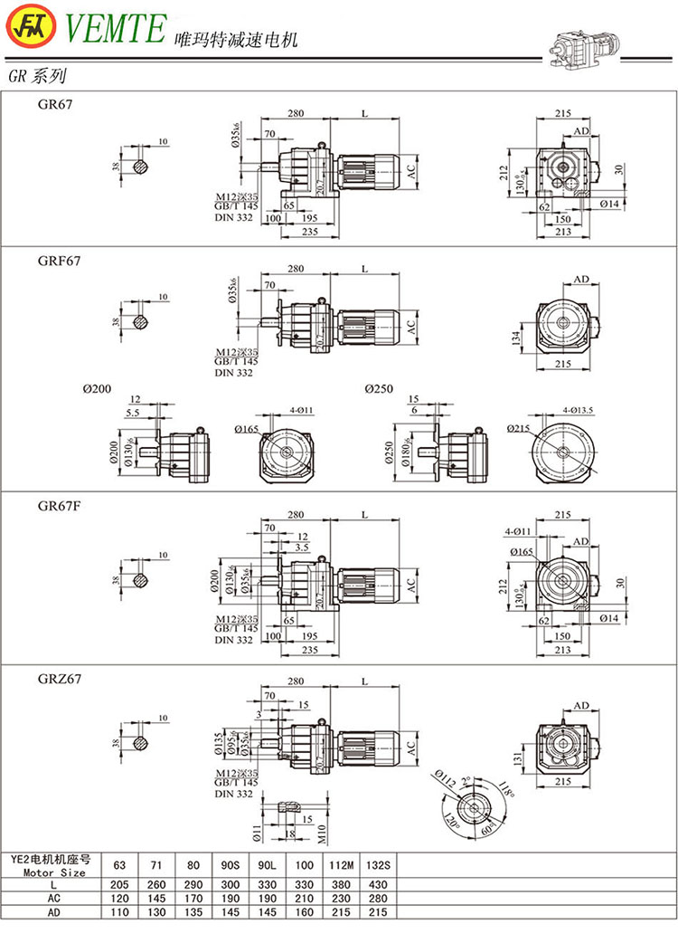
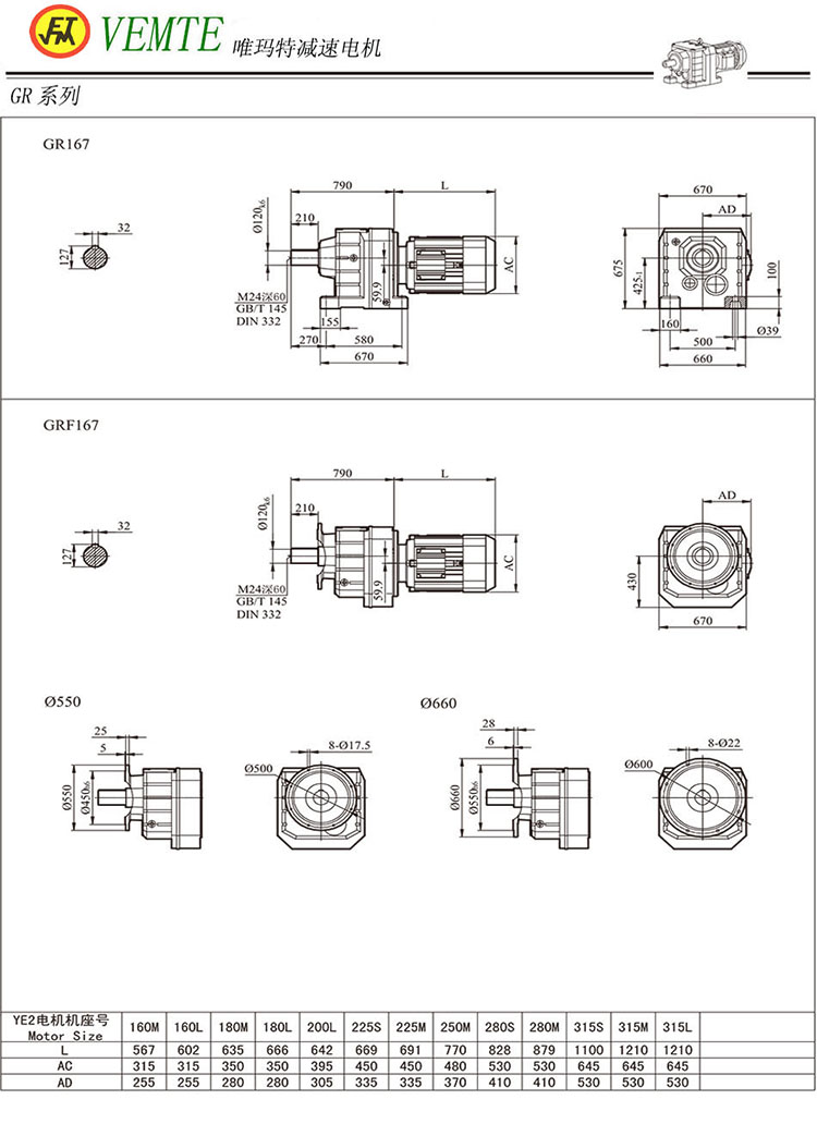
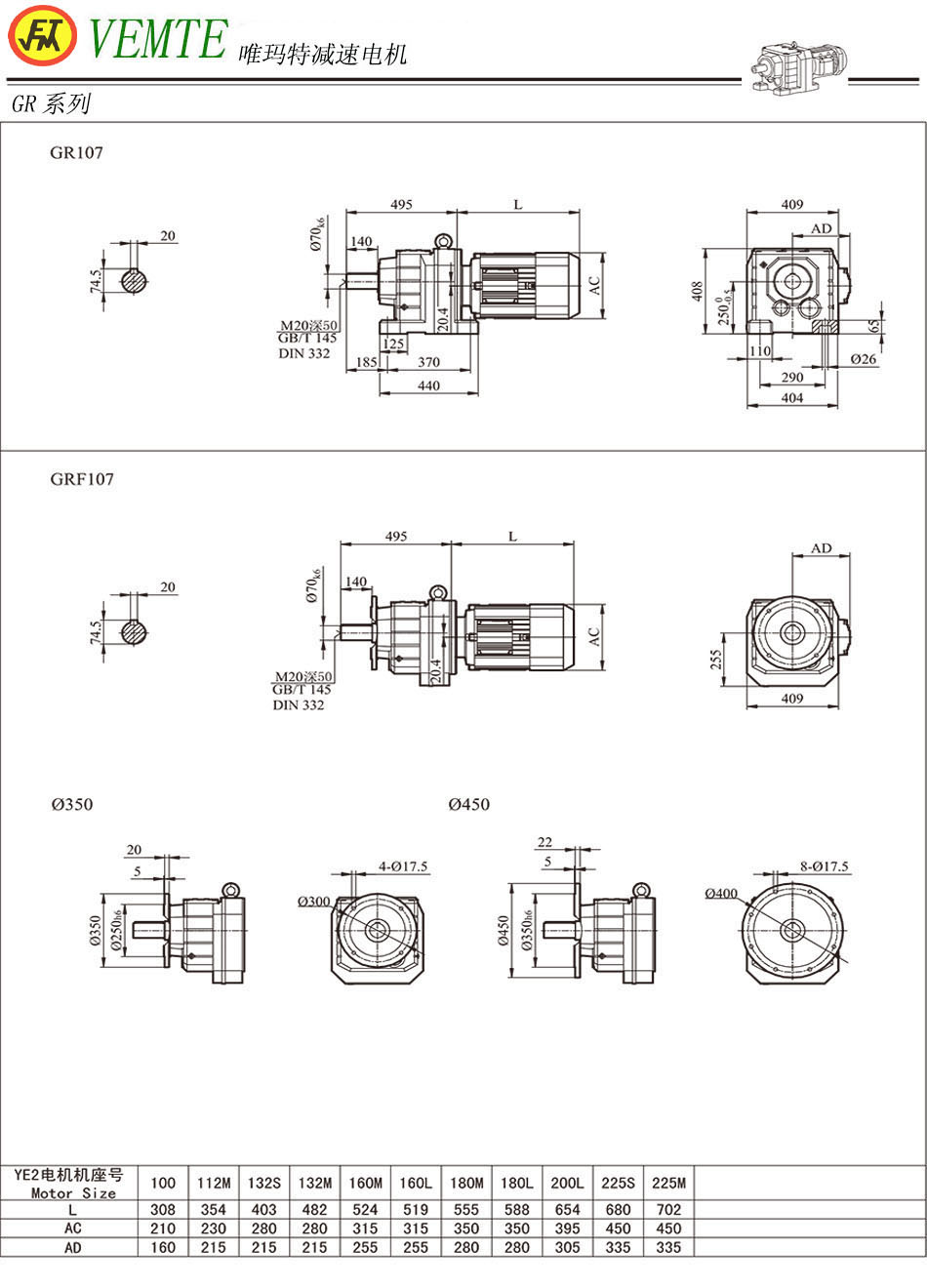
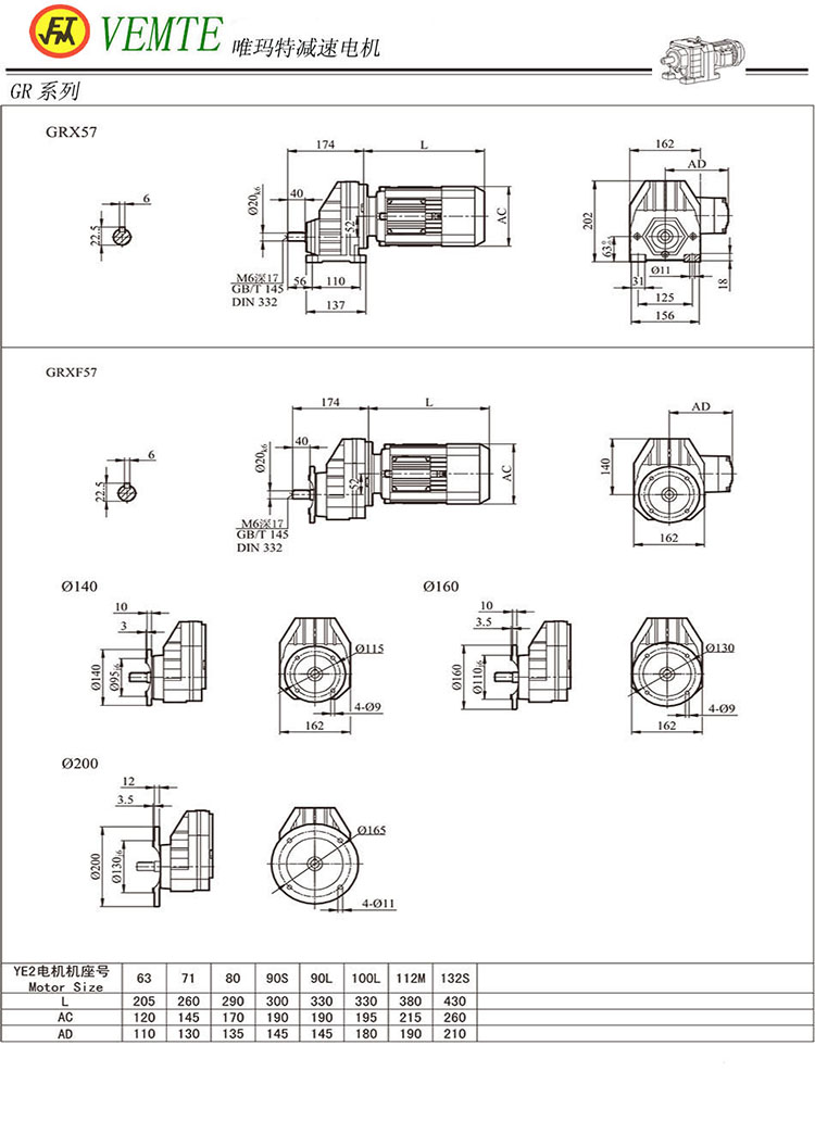
"VEMT減速機"R系列有多款型號.可根據需求,訂做各種顏色.了解R系列尺寸參數請點擊上方型號
VEMT減速機詳細介紹
R系列減速器基本版型
RX底腳安裝斜齒輪減速機
RXF底腳安裝單斜齒輪減速機
R法蘭安裝單斜齒輪減速機
RF法蘭立式安裝斜齒輪減速機
R..F法蘭臥式安裝斜齒輪減速機
RZ法蘭安裝斜齒輪減速機
R系列減速機廠家圖片:(此圖由VEMT推廣部人員上傳,請以實物圖為準,可撥打電話0769-85992468獲取實物圖)
R系列減速機輸入版型
直聯電機輸入
AM(IEC)法蘭輸入
AD軸輸入
R系列減速機特點:
1.此R系列減速機采用了系列化、模塊化的設計,傳動比覆蓋范圍廣、分精細;
2.傳動效率高,耗能低,性能優越;
3.齒輪經高精度磨齒機磨削加工,傳動平穩,噪音低,承載能力大,壽命長;
4.設計精巧,體積小,安裝簡便,用途廣泛;
5.安裝方式多樣,適合全方位的能安裝配置;
6.可實現R系列減速機、F系列減速機、K系列減速機、S系列減速電機與RF系列雙聯體組合,適用于特殊低速的應用。
R系列減速機主要材料:
1.箱體:HT250高強度鑄鐵,射型內腔,有效減少零件磨損;
2.齒輪:20CrMo優質合金鋼,碳氮共滲處理(精磨后保持齒面硬度HRC60);
3.平鍵:45鋼,表面硬度HRC50。
R系列減速機效率:
1.采用了高精度齒輪、油封、軸承,有效降低了摩擦,齒輪傳動的間小路可達97%;
2.在某些安裝方式時,輸入齒輪完全浸再潤滑油中,對于大機座號和高輸入轉速的情況,須考慮攪油損失。
R系列減速機使用條件:
1.環境溫度-40至50°C(0°C以下啟動時潤滑油需加熱到0°C以上或采用防凍潤滑油);
2.輸入轉速不大于2800轉/分;
3.可用于正反轉;
4.無行業限制。
RX57減速機、RX67減速機、RX77減速機、RX87減速機、RX97減速機、RX107減速機、RXF57減速機、RXF67減速機、RXF77減速機、RXF87減速機、RXF97減速機、RXF107減速機、R07減速機、R17減速機、R27減速機、R37減速機、R47減速機、R57減速機、R67減速機、R77減速機、R77減速機、R87減速機、R97減速機、R107減速機、R137減速機、R147減速機、R167減速機、RF07減速機、RF17減速機、RF27減速機、RF37減速機、RF47減速機、RF57減速機、RF67減速機、RF77減速機、RF87減速機、RF97減速機、RF107減速機、RF137減速機、RF147減速機、RF167減速機、R07F減速機、R17F減速機、R27F減速機、R37F減速機、R47F減速機、R57F減速機、R67F減速機、R77F減速機、R77F減速機、R87F減速機、R97F減速機、R107F減速機、R137F減速機、R147F減速機、R167F減速機、同時還可以跟F系列減速機,K系列減速機,S系列減速機的任意型號組合
購買須知:我司VEMT品牌所有系列產品,標準常用的,倉庫均備有現貨2000臺左右,非常用的需排單定做,請聯系客服咨詢貨期。凡購買我司品牌VEMT系列產品,不分價格高低,兩年內免費維修,免費換新。兩年后免費維修,只收取零件成本費用,包含海外以及港澳臺區域。因各種設備企業對產品的要求標準不同,如果您的設備是出口的,請告知客服轉接我司VEMT工程部,告知您的高標準,我們VEMT工程部會為您量身定做百分百符合要求的產品。
應用領域
產品廣泛用于橡膠機械,包裝機械,電鍍設備,陶瓷設備,木工機械設備,印刷機械,環保設備,煙草機械,醫療及自動化設備等。
跟此產品相關的產品 / Related Products
聯系祥如機電
全國咨詢熱線
13528634927
微信13528634927











