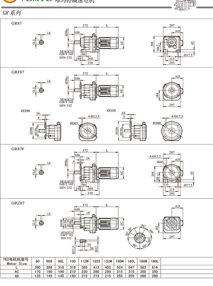
這是R系列減速機的其中一款型號,以下是TR88減速器,TRF88減速箱,TRX88減速馬達以及TRXF88減速電機的具體的型號以及對應的尺寸圖紙。有的用戶會覺得這種TR系列與大眾的R系列減速機之間有差異,這是因為不同的廠家的命名方式之間有區別。具體的需要看看選型尺寸以及性能參數。
| TR88MY71M4 | TRF88MY100M4 | TRXF88MY180M4 |
| TR88MY80M4 | TRF88MY112M4 | TRXF88MY200M4 |
| TR88MY90M4 | TR88MY100M4 | TRX88MY132M4 |
| TRX88MY90M4 | TR88MY112M4 | TRX88MY160M4 |
| TRX88MY100M4 | TRX88MY180M4 | TRF88MY71M4 |
| TR88MY132M4 | TRX88MY200M4 | TRF88MY80M4 |
| TR88MY160M4 | TRXF88MY71M4 | TRF88MY90M4 |
| TR88MY180M4 | TRXF88MY80M4 | TRXF88MY90M4 |
| TR88MY200M4 | TRF88MY180M4 | TRXF88MY100M4 |
| TRF88MY132M4 | TRF88MY200M4 | TRX88MY112M4 |
| TRF88MY160M4 | TRX88MY71M4 | TRXF88MY132M4 |
| TRXF88MY112M4 | TRX88MY80M4 | TRXF88MY160M4 |
下一篇:TR98MY100M4減速機型號上一篇:TR78MY132M4減速機型號
此文關鍵字:TR88MY112M4齒輪減速機型號
















