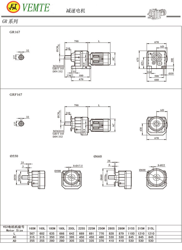
這是R10減速機以及RF10齒輪減速機的具體的型號以及匹配的安裝尺寸。而這款R系列減速機的R10型號對應的國內大眾的型號為R167的。
| RF10DM200L | RF10DM160M | RF10DM280S |
| RF10DM225S | RF10DM160L | RF10DM280M |
| RF10DM225M | RF10DM180M | RF10DM315S |
| RF10DM250M | RF10DM180L | RF10DM315M |
| R10DM200L | R10DM160M | R10DM280S |
| R10DM225S | R10DM160L | R10DM280M |
| R10DM225M | R10DM180M | R10DM315S |
| R10DM250M | R10DM180L | R10DM315M |
下一篇:S01系列蝸輪蝸桿減速機型號上一篇:R09系列齒輪減速機型號
此文關鍵字:R10系列齒輪減速機型號
















