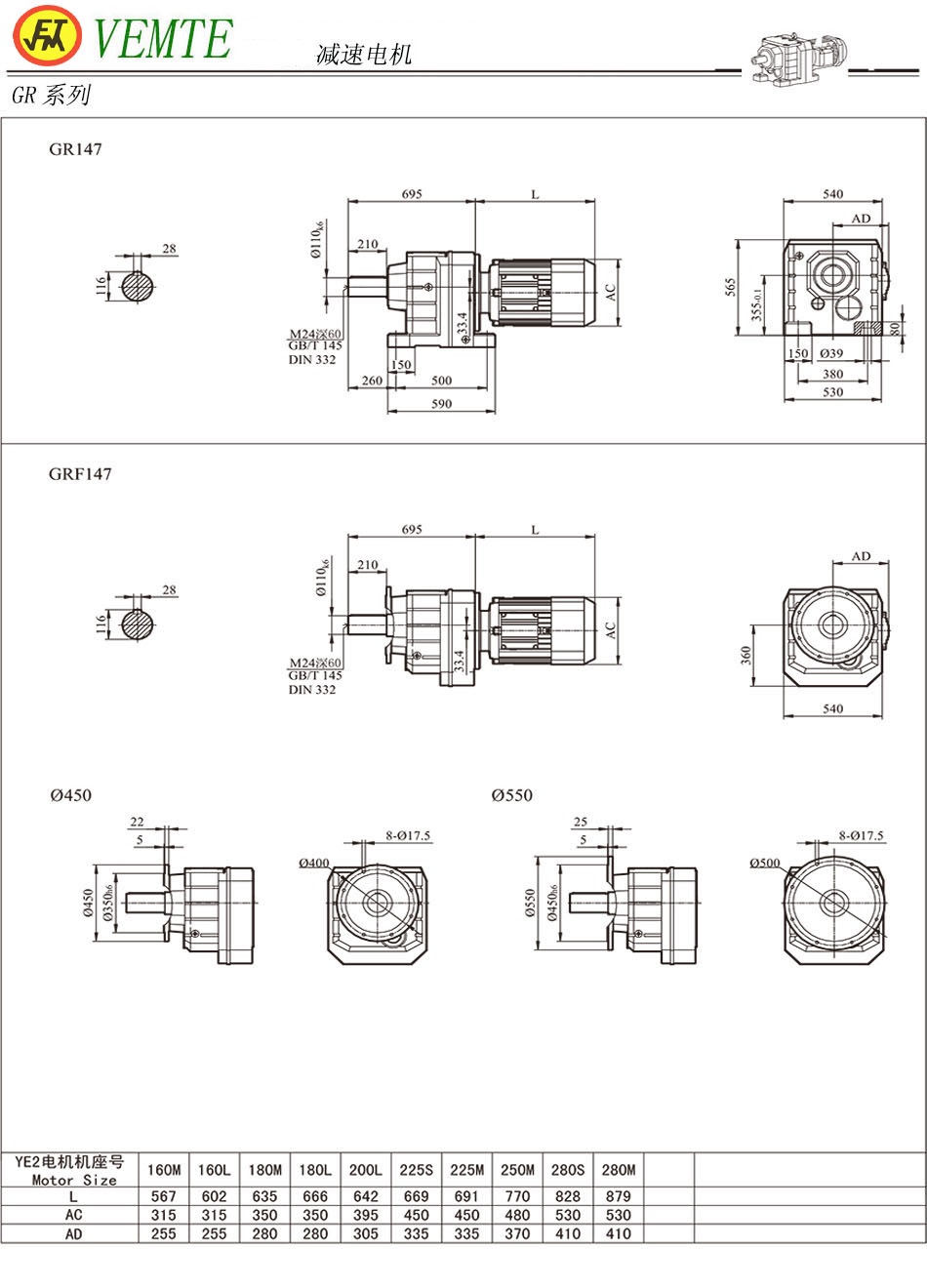
這是R09減速機以及RF09系列的R系列減速機的具體的型號,型號中有立式以及臥式兩種安裝方式。而下方的圖紙則是這個R09系列減速機對應的國產大眾型號的R147減速機的安裝尺寸圖紙。
| R09DM132L | RF09DM132L | RF09DM180M |
| R09DM160M | RF09DM160M | RF09DM180L |
| R09DM160L | RF09DM160L | RF09DM200L |
| RF09DM280S | RF09DM225S | R09DM180M |
| RF09DM280M | RF09DM225M | R09DM180L |
| R09DM225S | RF09DM250M | R09DM200L |
| R09DM280S | R09DM225M | R09DM250M |
下一篇:R10系列齒輪減速機型號上一篇:R08系列齒輪減速機型號
此文關鍵字:R09系列齒輪減速機型號
















