RF57減速機 減速器RF57AD RZ57同軸雙速減速機詳細信息/Detailed Information
RF57減速機 減速器RF57AD RZ57同軸雙速減速機
減速機型號:R57 RF57 R57F RM57 RZ57 RX57 RXF57
電機 功率:0.12KW-7.5KW
輸入 轉速:500-2800RPM
單機 扭矩:5-300N·M
單機 速比:1.3-186.89比
輸出 轉速:0.6-1075rpm/min
斜齒輪傳動,傳動效率95%
交 期:1-10天
訂購熱線:13528634927
RF57是法蘭安裝斜齒輪減速機
RF57AD是AD軸輸入的帶法蘭的斜齒輪減速機
RZ57是B14法蘭安裝斜齒輪減速機
RF57,RF57AD,RZ57齒輪減速機是通過改變齒輪比來調整輸出轉速,而蝸輪蝸桿減速機則會改變蝸輪蝸桿的比,以調節輸出轉速。齒輪減速機的傳動效率一般比蝸輪蝸桿減速機要高。此外,蝸輪蝸桿減速機的轉矩傳遞率要比齒輪減速機低。它由斜齒輪機構、輸出軸和輸入軸組成。輸出裝置與連接到電機的輸入軸連接。RF57,RF57AD,RZ57斜齒輪裝置由斜齒輪與斜齒輪組成。當電機運行時,與之相連的軸旋轉,斜齒輪裝置將驅動輸出軸以一定比例旋轉。減速器具有結構緊湊、重量輕、速比大、動力傳遞能力強等特點。它廣泛應用于各種機械設備和傳動系統,如機床、工業機器人、起重機、混合設備、輸送機和機械手。工作原理簡單可靠,噪聲小,廣泛應用于冶金、化工、輕工等領域。
RF57,RF57AD,RZ57系列斜齒輪硬齒面減速機型號如下,不同廠家型號表示有差異,具體型號可咨詢客服

RF57減速器能做的減速比有:
4.39比,5.05比,5.82比,6.41比,7.53比,7.97比,9.06比,9.35比,10.79比,11.18比,13.95比,14.77比,16.79比,18.60比,21.93比,24.99比,26.31比,26.97比,30.18比,35.07比,37.3比,43.3比,48.32比,53.22比,57.29比,64.85比,69.23比,80.55比,89.71比,98.99比,106.58比,120.63比,128.77比,147.92比,172.17比,186.89
在上述的齒輪箱減速比下,搭配四極電機之后形成的輸出扭矩有:
280N.m,305N.m,320N.m,335N.m,350N.m,355N.m,370N.m,375N.m,390N.m,405N.m,430N.m,435N.m,450N.m
如果上述的參數不滿足您的設備需求的話,您可以咨詢VEMTE選型技術人員,讓技術人員給您選型
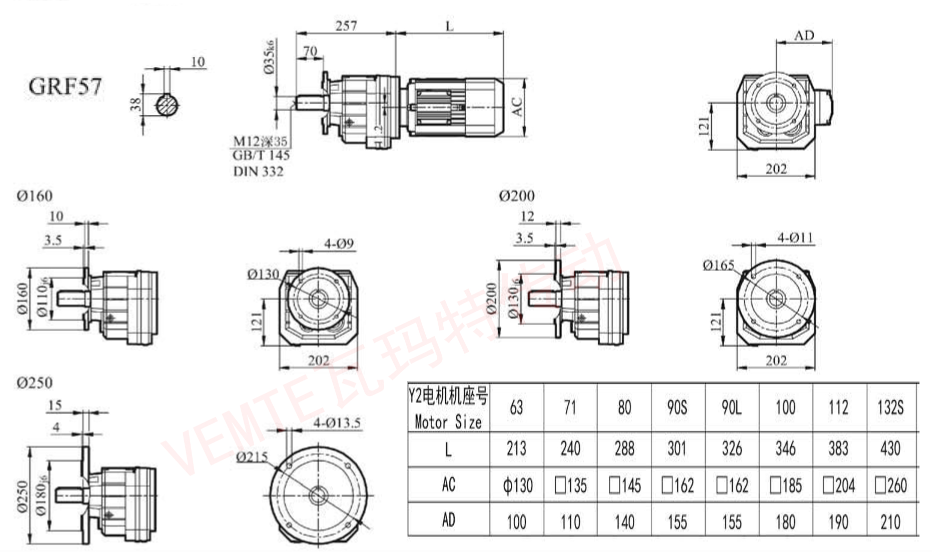
下面是RF57以及RZ57減速器通用的安裝尺寸圖,若您需要高清圖紙或者是三維模型請聯系客服


請問減速機的后期維護需要做些什么?
定期檢查伺服減速機的潤滑脂和潤滑油的狀況,如發現有異常應及時加油潤滑。
定期檢查減速機的零部件有無損壞,如發現損壞及時更換。
每一段周期檢查減速機的機械部件的振動狀況,以確保其工作的正常與安全。
經常安排預防性維護工作,確保減速機的正常操作。
定期清洗減速機內部組件上的灰塵和污垢,以防止故障發生。
減速電機的使用安全系數怎么選?
減速電機的使用安全系數選擇應當取決于減速機的類型、載荷特性和使用環境,一般情況下可以選擇1.0~1.2作為使用安全系數。
對于低速精密減速機,可以選擇1.1至1.2之間的安全系數;
對于中低速均負荷減速機,可以選擇1.0至1.2之間的安全系數;
對于中到高速減速機,可以選擇1.0至1.3之間的安全系數;
對于惡劣環境、高溫應用和復雜工況條件,可以選擇1.2至1.5之間的安全系數。

更多的同軸斜齒輪減速器型號請點擊→R系列減速機
購買須知:我司VEMT品牌所有系列產品,標準常用的,倉庫均備有現貨2000臺左右,非常用的需排單定做,請聯系客服咨詢貨期。凡購買我司品牌VEMT系列產品,不分價格高低,兩年內免費維修,免費換新。兩年后免費維修,只收取零件成本費用,包含海外以及港澳臺區域。因各種設備企業對產品的要求標準不同,如果您的設備是出口的,請告知客服轉接我司VEMT工程部,告知您的高標準,我們VEMT工程部會為您量身定做百分百符合要求的產品。
RF57AD是AD軸輸入的帶法蘭的斜齒輪減速機
RZ57是B14法蘭安裝斜齒輪減速機
RF57,RF57AD,RZ57齒輪減速機是通過改變齒輪比來調整輸出轉速,而蝸輪蝸桿減速機則會改變蝸輪蝸桿的比,以調節輸出轉速。齒輪減速機的傳動效率一般比蝸輪蝸桿減速機要高。此外,蝸輪蝸桿減速機的轉矩傳遞率要比齒輪減速機低。它由斜齒輪機構、輸出軸和輸入軸組成。輸出裝置與連接到電機的輸入軸連接。RF57,RF57AD,RZ57斜齒輪裝置由斜齒輪與斜齒輪組成。當電機運行時,與之相連的軸旋轉,斜齒輪裝置將驅動輸出軸以一定比例旋轉。減速器具有結構緊湊、重量輕、速比大、動力傳遞能力強等特點。它廣泛應用于各種機械設備和傳動系統,如機床、工業機器人、起重機、混合設備、輸送機和機械手。工作原理簡單可靠,噪聲小,廣泛應用于冶金、化工、輕工等領域。
RF57,RF57AD,RZ57系列斜齒輪硬齒面減速機型號如下,不同廠家型號表示有差異,具體型號可咨詢客服
| RF57-Y0.12-4P | RZ57YS63M4 | RF57AD-Y0.12-4P |
| RF57-Y0.18-4P | RZ57YS71M4 | RF57AD-Y0.18-4P |
| RZ57YS80M4 | RF57AD-YVF0.25-4P | RF57-Y1.1-4P |
| RZ57YS90S4 | RF57AD-YVF0.37-4P | RF57-YGP1.5-4P |
| RF57AD-YVF1.1-4P | RF57-Y0.75-4P | RZ57YS132S |
| RF57AD-YVF1.5-4P | RF57-YGP2.2-4P | RZ57YM132M |
| RZ57YS100L | RF57AD-YVF0.55-4P | RF57-YGP3-4P |
| RF57-Y0.25-4P | RF57AD-YVF0.75-4P | RF57-Y0.55-4P |
| RF57-Y0.37-4P | RF57-YGP5.5-4P | RF57AD-YVF2.2-4P |
| RF57AD-YVF7.5-4P | RZ57YS90L4 | RF57AD-YVF4-4P |
| RF57AD-YVF5.5-4P | RF57-YGP4-4P | RF57-YGP7.5-4P |
| RF57AD-YVF3-4P | RZ57YS112M4 | 斜齒輪減速電機 |

RF57減速器能做的減速比有:
4.39比,5.05比,5.82比,6.41比,7.53比,7.97比,9.06比,9.35比,10.79比,11.18比,13.95比,14.77比,16.79比,18.60比,21.93比,24.99比,26.31比,26.97比,30.18比,35.07比,37.3比,43.3比,48.32比,53.22比,57.29比,64.85比,69.23比,80.55比,89.71比,98.99比,106.58比,120.63比,128.77比,147.92比,172.17比,186.89
在上述的齒輪箱減速比下,搭配四極電機之后形成的輸出扭矩有:
280N.m,305N.m,320N.m,335N.m,350N.m,355N.m,370N.m,375N.m,390N.m,405N.m,430N.m,435N.m,450N.m
如果上述的參數不滿足您的設備需求的話,您可以咨詢VEMTE選型技術人員,讓技術人員給您選型
下面是RF57以及RZ57減速器通用的安裝尺寸圖,若您需要高清圖紙或者是三維模型請聯系客服


請問減速機的后期維護需要做些什么?
定期檢查伺服減速機的潤滑脂和潤滑油的狀況,如發現有異常應及時加油潤滑。
定期檢查減速機的零部件有無損壞,如發現損壞及時更換。
每一段周期檢查減速機的機械部件的振動狀況,以確保其工作的正常與安全。
經常安排預防性維護工作,確保減速機的正常操作。
定期清洗減速機內部組件上的灰塵和污垢,以防止故障發生。
減速電機的使用安全系數怎么選?
減速電機的使用安全系數選擇應當取決于減速機的類型、載荷特性和使用環境,一般情況下可以選擇1.0~1.2作為使用安全系數。
對于低速精密減速機,可以選擇1.1至1.2之間的安全系數;
對于中低速均負荷減速機,可以選擇1.0至1.2之間的安全系數;
對于中到高速減速機,可以選擇1.0至1.3之間的安全系數;
對于惡劣環境、高溫應用和復雜工況條件,可以選擇1.2至1.5之間的安全系數。

更多的同軸斜齒輪減速器型號請點擊→R系列減速機
購買須知:我司VEMT品牌所有系列產品,標準常用的,倉庫均備有現貨2000臺左右,非常用的需排單定做,請聯系客服咨詢貨期。凡購買我司品牌VEMT系列產品,不分價格高低,兩年內免費維修,免費換新。兩年后免費維修,只收取零件成本費用,包含海外以及港澳臺區域。因各種設備企業對產品的要求標準不同,如果您的設備是出口的,請告知客服轉接我司VEMT工程部,告知您的高標準,我們VEMT工程部會為您量身定做百分百符合要求的產品。
跟此產品相關的產品 / Related Products
祥如機電產品中心
Product Center
聯系祥如機電
全國咨詢熱線
13528634927
微信13528634927











