FA57減速機 FH57 FV57 FA57/T空心軸減速電機詳細信息/Detailed Information
FA57減速機 FH57 FV57 FA57/T空心軸減速電機
減速機型號:F57 FA57 FV57 FAF57 FVF57 FAZ57 FVZ57 FF57 FH57 FHF57 FHZ57
電機 功率:0.12KW-5.5KW
輸入 轉速:500-3000轉
單機 扭矩:20-600N·M
單機 速比:5.18-199.70比
輸出 轉速:7-270轉/分鐘
硬齒面斜齒輪傳動,傳動效率95%
交 期:1-10天
訂購熱線:13528634927
FA57是空心軸安裝平行軸-斜齒輪減速機
FV57是花鍵空心軸安裝平行軸-斜齒輪減速機
FH57是空心軸鎖緊盤安裝平行軸-斜齒輪減速機
FA57/T是空心軸帶扭力臂安裝平行軸-斜齒輪減速機
FA57,FH57,FV57,FA57/T系列平行軸減速機是工業生產中常用的一種傳動裝置,它具有體積小、重量輕、承載能力強等優點。平行軸減速機的傳動效率高,能夠實現倒轉和正轉,具有廣泛的適用領域。此外,平行軸減速機在運行過程中噪音較小,使用壽命長,維護保養較為簡單方便。減速機主要由齒輪箱、輸出軸、輸入軸、聯軸器等組件構成,各部件之間協調運轉,整機性能穩定可靠。平行軸減速機在工業生產中發揮著重要的作用,是現代化生產不可或缺的關鍵部件之一。
FA57,FH57,FV57,FA57/T系列減速機電機型號如下,不同廠家型號表示方式不一樣,具體型號可咨詢客服處理

FA57減速齒輪箱能做到的減速比有:
1/199,1/183,1/157,1/136,1/127,1/110,1/93,1/83,1/72,1/68,1/58,1/50,1/44,1/38,1/35,1/30,1/40,1/34,1/29,1/28,1/24,1/21,1/19,1/16,1/15,1/13,1/12,1/10,1/9,1/7,1/6,1/5減速機
采用四極三相異步電動機匹配上述減速比,能做到的速出轉速有:
270rpm/min,7rpm/min,8rpm/min,9rpm/min,10rpm/min,11rpm/min,13rpm/min,15rpm/min,17rpm/min,19rpm/min,21rpm/min,24rpm/min,28rpm/min,31rpm/min,37rpm/min,39rpm/min,46rpm/min,35rpm/min,41rpm/min,47rpm/min,49rpm/min,56rpm/min,66rpm/min,73rpm/min,83rpm/min,88rpm/min,104rpm/min,114rpm/min,132rpm/min,150rpm/min,171rpm/min,181rpm/min,213rpm/min,234rpm/min減速機。
若上述的參數不滿足您的設備的實際使用需求的話,您可以咨詢一下VEMTE選型技術人員給您選型
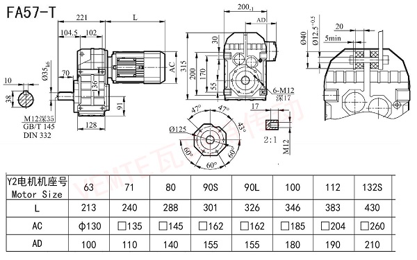
下面是FA57,FH57,FV57,FA57/T硬齒面減速機通用的安裝尺寸圖紙,若您需要非標尺寸或三維模型,請咨詢客服


FA57系列齒輪減速電機組合之后,整體的安裝方位有6種,M1-M6各種安裝形式定義為:
M1—電機水平放置;減速機底腳朝下。
M2—電機居下。
M3—電機水平放置;減速機底腳朝上。
M4—電機居上。
M5—電機水平放置;當減速機在M1安裝位置時,從電機方向看,減速機的左面旋轉到下方位置。
M6—電機水平放置;當減速機在M1安裝位置時,從電機方向看,減速機的左面旋轉到上方位置。

更多的平行軸斜齒輪減速機型號請點擊→F系列減速機
購買須知:我司VEMT品牌所有系列產品,標準常用的,倉庫均備有現貨2000臺左右,非常用的需排單定做,請聯系客服咨詢貨期。凡購買我司品牌VEMT系列產品,不分價格高低,保修期內非人為原因免費維修,免費換新。兩年后免費維修,只收取零件成本費用,包含海外以及港澳臺區域。因各種設備企業對產品的要求標準不同,如果您的設備是出口的,請告知客服轉接我司VEMT工程部,告知您的高標準,我們VEMT工程部會為您量身定做百分百符合要求的產品。
FV57是花鍵空心軸安裝平行軸-斜齒輪減速機
FH57是空心軸鎖緊盤安裝平行軸-斜齒輪減速機
FA57/T是空心軸帶扭力臂安裝平行軸-斜齒輪減速機
FA57,FH57,FV57,FA57/T系列平行軸減速機是工業生產中常用的一種傳動裝置,它具有體積小、重量輕、承載能力強等優點。平行軸減速機的傳動效率高,能夠實現倒轉和正轉,具有廣泛的適用領域。此外,平行軸減速機在運行過程中噪音較小,使用壽命長,維護保養較為簡單方便。減速機主要由齒輪箱、輸出軸、輸入軸、聯軸器等組件構成,各部件之間協調運轉,整機性能穩定可靠。平行軸減速機在工業生產中發揮著重要的作用,是現代化生產不可或缺的關鍵部件之一。
FA57,FH57,FV57,FA57/T系列減速機電機型號如下,不同廠家型號表示方式不一樣,具體型號可咨詢客服處理
| FA57-Y0.12-4P | FA57/T-Y0.12-4P | FH57-Y0.12-4P |
| FA57-Y0.18-4P | FA57/T-Y0.18-4P | FH57-Y0.18-4P |
| FA57-Y0.25-4P | FA57/T-Y0.25-4P | FH57-Y0.25-4P |
| FA57-Y0.37-4P | FA57/T-Y0.37-4P | FH57-Y0.37-4P |
| FA57-Y0.55-4P | FA57/T-Y0.55-4P | FH57-YVF0.55-4P |
| FA57-Y0.75-4P | FA57/T-Y0.75-4P | FH57-YVF0.75-4P |
| FA57-YB1.1-4P | FA57/T-Y1.1-4P | FH57-YVF1.1-4P |
| FA57-YB1.5-4P | FA57/T-Y1.5-4P | FH57-YVF1.5-4P |
| FA57-YB2.2-4P | FA57/T-Y2.2-4P | FH57-Y2.2-4P |
| FA57-YB3-4P | FA57/T-YVP3-4P | FH57-Y3-4P |
| FA57-Y4-4P | FA57/T-YVP4-4P | FH57-Y4-4P |
| FA57-Y5-4P | FA57/T-YVP5-4P | FH57-Y5-4P |
| FV57-Y0.12-4P | FV57-YVP0.37-4P | FV57-YVPB1.1-4P |
| FV57-Y0.18-4P | FV57-Y0.55-4P | FV57-YVPB1.5-4P |
| FV57-Y0.25-4P | FV57-Y0.75-4P | FV57-YVPB2.2-4P |
| FV57-Y3-4P | FV57-Y4-4P | FV57-YVPB5-4P |

FA57減速齒輪箱能做到的減速比有:
1/199,1/183,1/157,1/136,1/127,1/110,1/93,1/83,1/72,1/68,1/58,1/50,1/44,1/38,1/35,1/30,1/40,1/34,1/29,1/28,1/24,1/21,1/19,1/16,1/15,1/13,1/12,1/10,1/9,1/7,1/6,1/5減速機
采用四極三相異步電動機匹配上述減速比,能做到的速出轉速有:
270rpm/min,7rpm/min,8rpm/min,9rpm/min,10rpm/min,11rpm/min,13rpm/min,15rpm/min,17rpm/min,19rpm/min,21rpm/min,24rpm/min,28rpm/min,31rpm/min,37rpm/min,39rpm/min,46rpm/min,35rpm/min,41rpm/min,47rpm/min,49rpm/min,56rpm/min,66rpm/min,73rpm/min,83rpm/min,88rpm/min,104rpm/min,114rpm/min,132rpm/min,150rpm/min,171rpm/min,181rpm/min,213rpm/min,234rpm/min減速機。
若上述的參數不滿足您的設備的實際使用需求的話,您可以咨詢一下VEMTE選型技術人員給您選型
下面是FA57,FH57,FV57,FA57/T硬齒面減速機通用的安裝尺寸圖紙,若您需要非標尺寸或三維模型,請咨詢客服


FA57系列齒輪減速電機組合之后,整體的安裝方位有6種,M1-M6各種安裝形式定義為:
M1—電機水平放置;減速機底腳朝下。
M2—電機居下。
M3—電機水平放置;減速機底腳朝上。
M4—電機居上。
M5—電機水平放置;當減速機在M1安裝位置時,從電機方向看,減速機的左面旋轉到下方位置。
M6—電機水平放置;當減速機在M1安裝位置時,從電機方向看,減速機的左面旋轉到上方位置。

更多的平行軸斜齒輪減速機型號請點擊→F系列減速機
購買須知:我司VEMT品牌所有系列產品,標準常用的,倉庫均備有現貨2000臺左右,非常用的需排單定做,請聯系客服咨詢貨期。凡購買我司品牌VEMT系列產品,不分價格高低,保修期內非人為原因免費維修,免費換新。兩年后免費維修,只收取零件成本費用,包含海外以及港澳臺區域。因各種設備企業對產品的要求標準不同,如果您的設備是出口的,請告知客服轉接我司VEMT工程部,告知您的高標準,我們VEMT工程部會為您量身定做百分百符合要求的產品。
跟此產品相關的產品 / Related Products
祥如機電產品中心
Product Center
聯系祥如機電
全國咨詢熱線
13528634927
微信13528634927











