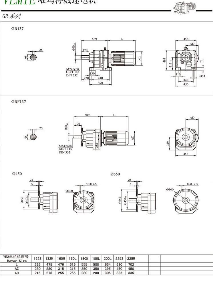
今天介紹的是立臥式減速機的一些型號,他包括TR138減速機以及TRF138減速器的具體的型號以及對應的安裝尺寸圖紙。不同廠家的表示形式之間是有差異的,所以在選擇替換的時候要考慮一下安裝尺寸以及對應的性能參數。
| TR138MY112M4 | TRF138MY180M4 | TRF138MY112M4 |
| TR138MY132M4 | TR138MY200M4 | TRF138MY132M4 |
| TRF138MY225M4 | 大型齒輪減速機 | TR138MY160M4 |
| TRF138MY250M4 | TR138MY250M4 | TR138MY180M4 |
| TR138MY225M4 | TRF138MY160M4 | TRF138MY200M4 |
此文關鍵字:TR138MY200M4齒輪減速機型號
















