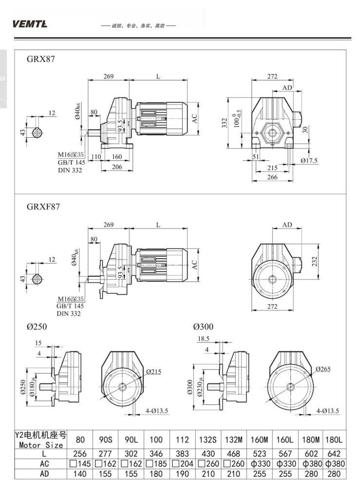
以下是R05減速機,RX05齒輪減速機,RF05立式減速機以及RXF05減速電機的R系列減速機型號以及對應的安裝尺寸圖紙,而這R05減速機對應的國內的大眾型號是R87系列的減速機
| R05DM80M1 | RX05DM100M | RX05DM80M1 |
| R05DM80M2 | RX05DM100L | RX05DM80M2 |
| R05DM90S | RX05DM112M | RX05DM90S |
| R05DM90L | RX05DM132S | RX05DM90L |
| R05DM100M | RF05DM100M | RF05DM80M1 |
| R05DM100L | RF05DM100L | RF05DM80M2 |
| R05DM112M | RF05DM112M | RF05DM90S |
| R05DM132S | RF05DM132S | RF05DM90L |
| R05DM132M | RXF05DM100M | RXF05DM80M1 |
| R05DM132L | RXF05DM100L | RXF05DM80M2 |
| R05DM160M | RXF05DM112M | RXF05DM90S |
| R05DM160L | RXF05DM132S | RXF05DM90L |
| R05DM180M | RF05DM132M | RXF05DM132M |
| R05DM180L | RF05DM132L | RXF05DM132L |
| RX05DM132M | RF05DM160M | RXF05DM160M |
| RX05DM132L | RF05DM160L | RX05DM160L |
| RX05DM160M | RF05DM180M | RX05DM180M |
| RXF05DM160L | RF05DM180L | RX05DM180L |
下一篇:R06系列齒輪減速機型號上一篇:R04系列齒輪減速機型號
















