E系列機器人行星減速機詳細信息/Detailed Information
E系列機器人行星減速機
減速機規格:E系列機器人行星減速機
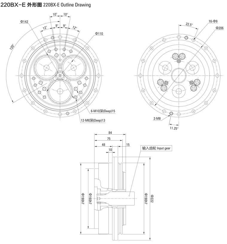
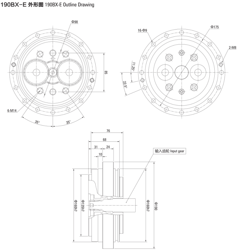
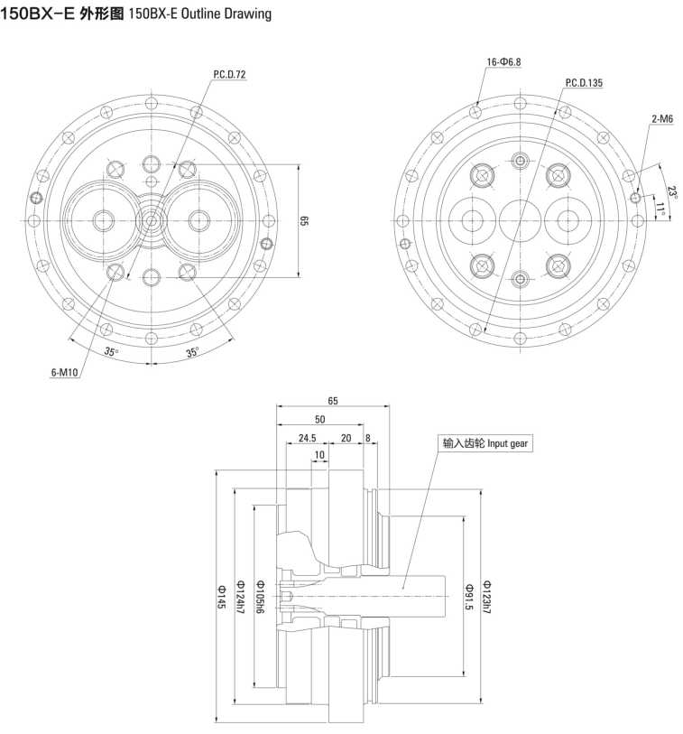
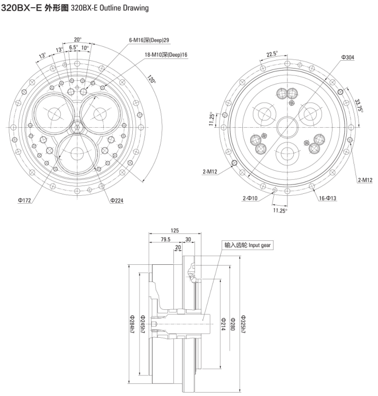
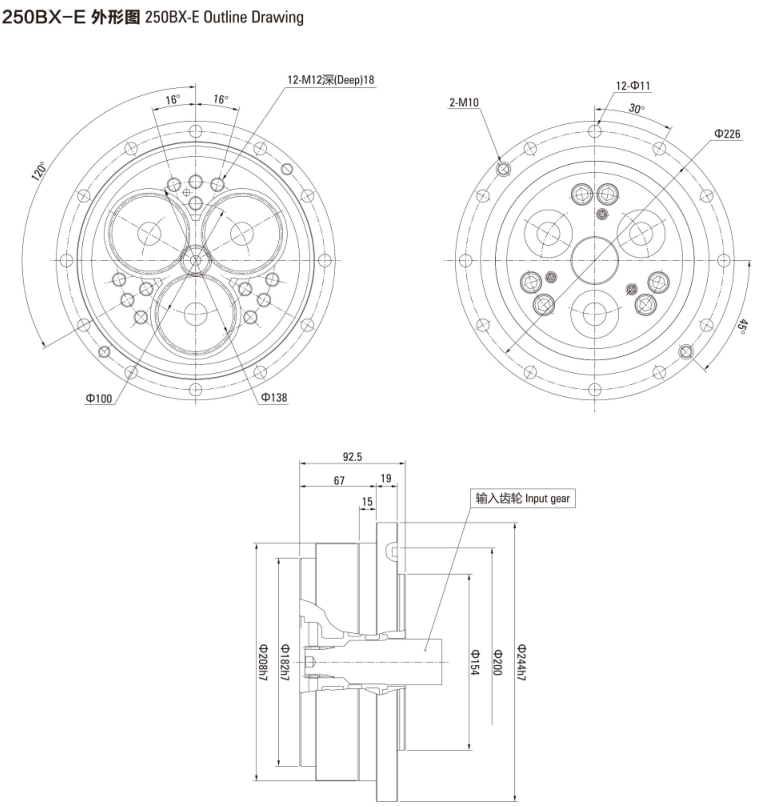
減速機型號:120BX 150BX 190BX 220BX 250BX 280BX 320BX 370BX
減速機比數:對應比數
減速機可配電機:對應功率
應用范圍:機器人,分割器代替的場所。
訂購熱線:13528634927
關鍵詞:E系列機器人行星減速機,120BX減速器,150BX擺線針輪減速機,190BX行星RV減速機
E系列機器人行星減速機特點:
遲滯曲線:固定輸入齒輪,向輸出端施加轉矩,得到轉矩同扭轉角的對應關系,繪出遲滯曲線。回差:指在額定轉矩的±3%處的遲滯曲線寬度的中間點的轉角
傳動精度:傳動精度,指輸入任意旋轉角時的理論旋轉角度和實際輸出旋轉角度之間的差,公司表示
齒隙:指在額定轉矩為零處的扭轉角。
在下列的環境條件下,E系列擺線針輪RV減速機方能正常運行:環境空氣高溫度隨季節而變化,但不超過40°C;環境空氣低溫度為-10°C。
E系列機器人行星減速機圖片:(此圖由VEMT推廣部人員上傳,請以實物圖為準,可撥打電話15818497138獲取實物圖)
E系列機器人行星減速機零件:查看更多E系列機器人行星減速機,請點擊鏈接http://m.5x5d.com/guanjiejiansuji.html
E系列機器人行星減速機型號:
購買須知:我司VEMT品牌所有系列產品,標準常用的,倉庫均備有現貨2000臺左右,非常用的需排單定做,請聯系客服咨詢貨期。凡購買我司品牌VEMT系列產品,不分價格高低,兩年內免費維修,免費換新。兩年后免費維修,只收取零件成本費用,包含海外以及港澳臺區域。因各種設備企業對產品的要求標準不同,如果您的設備是出口的,請告知客服轉接我司VEMT工程部,告知您的高標準,我們VEMT工程部會為您量身定做百分百符合要求的產品。
跟此產品相關的產品 / Related Products
祥如機電產品中心
Product Center
聯系祥如機電
全國咨詢熱線
13528634927
微信13528634927










