意大利MOTOVARIO NMRV+NMRV組合雙減速機詳細信息/Detailed Information
意大利MOTOVARIO NMRV+NMRV組合雙減速機
減速機型號:NMRV NRV 025 030 040 050 063 075 090 110 130 150
電機 功率:0.06KW-15KW
減速機扭矩:2.6-300000N.m
減速機比數:2-10000
應用 范圍:包裝設備,電鍍設備,陶瓷設備,印刷設備,塑料機械,液壓設備,清洗設備等等
關鍵詞:意大利MOTOVARIO減速機,雙蝸輪蝸桿減速機,摩多利減速機,摩鐸利減速機
意大利MOTOVARIO減速機-特點:
MOTOVRAIOI減速機系列,是款暢銷全球的傳動產品;共有11種尺寸規格(基座)可供選擇,各個方向均可以安裝;減速比5 : 1 ~ 5000 : 1;可配25W ~ 7.5kW馬達 ;鋁合金外殼內置永久式潤滑油AGIP TELIUM VSF , 免保養;型號110, 130, 150, 生鐵外殼內置潤滑油 , AGIP BLASIA 460;容許外間溫度 -5°C ~ +40°C;獨有噴粉技術藍色RAL 5010 , 防腐蝕及氧化。
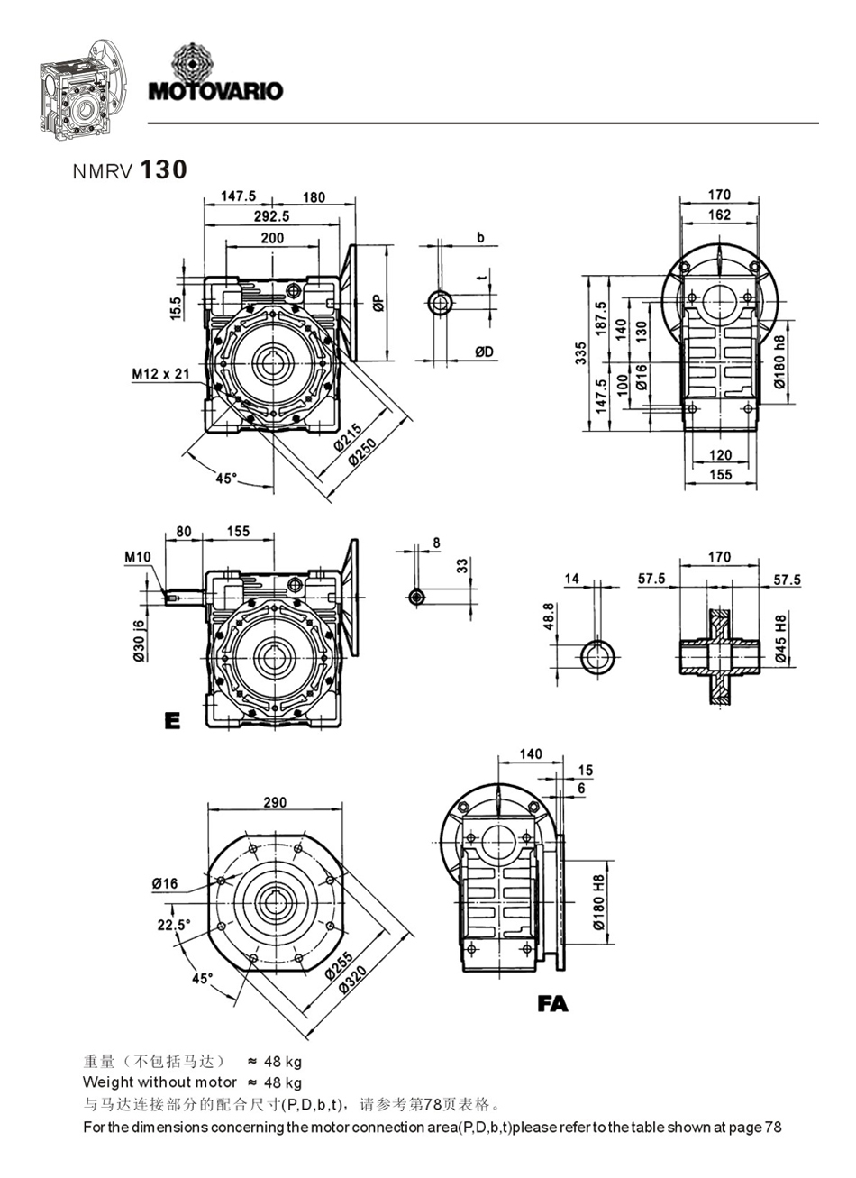
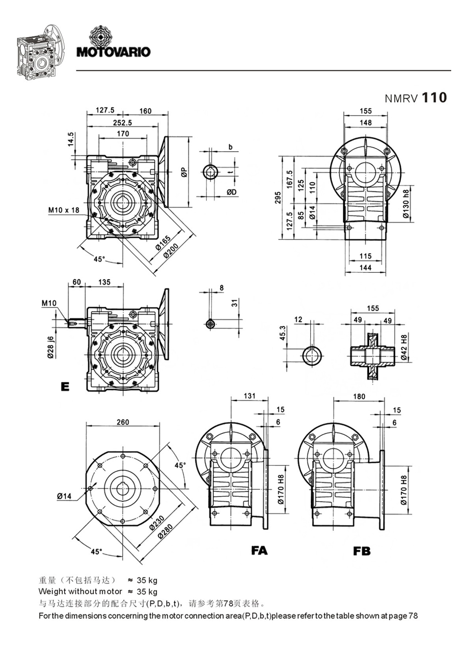
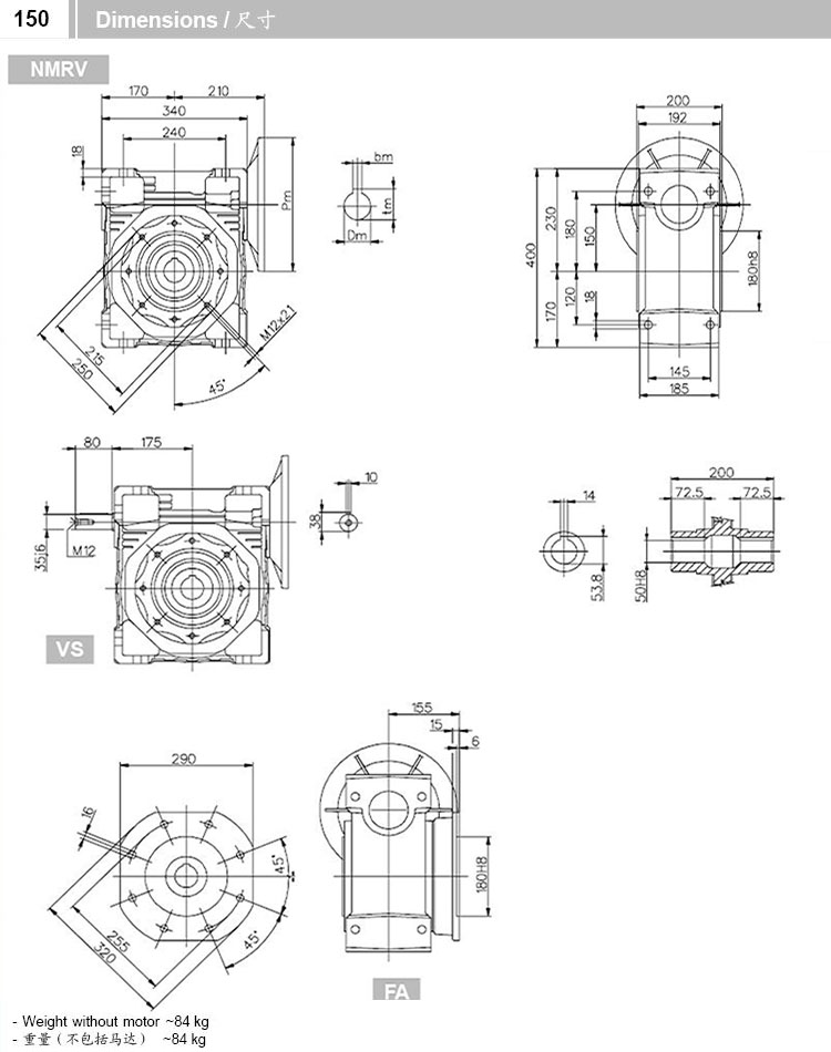
意大利MOTOVARIO減速機圖片:(此圖由VEMT推廣部人員上傳,請以實物圖為準,可撥打電話0769-85992468獲取實物圖)
意大利MOTOVARIO減速機-優勢:
高精確度齒輪加工;可配同系列之機械變速;減速比從5-100。100以上的減速比可以采用減速器組合形式來實現;NMRV105以下(含105)為鋁合金外殼;NMRV105以下的規格為鑄鐵外殼;蝸桿材料:case hardened tempered 20MrCr5 steel (UNI 8550);蝸輪材料:bronze GCu Sn12 (UNI7013-72)。
意大利MOTOVARIO減速機-相關版本有:
配備電機連接配置版本、配備實心軸輸入端版本、配備力矩限制器版本;功率可達 18.5 KW;具有現代設計感的外殼統采用金屬模鑄造鋁合金材質的緊固件,這種緊固件重量可以達到 110 克,而 G200 灰鑄鐵件的重量可以達到 130 和 150 克;減速比在 5 到 100 之間;大力矩值 1,550 Nm,徑向大許可載荷 18,000 N;鋁合金組具備合成基礎潤滑油,不必改變其潤滑油量即可安裝在任何位置;蝸桿為淬火鋼,傳動齒輪材質為銅 Cu Sn12 Ni2 (UNI7013-10);ZI (UNI4760) 蝸桿經過精磨;負荷能力的檢查標準有:ISO 14521、DIN 3996、BS 721、AGMA 6034、ISO 6336、DIN 3990、DIN 743、ISO 281;從尺寸 025開始,所有減速器都根據 DIN 1843 采用環氧聚酯粉末涂料 Blu RAL 5010;對于 NMRV040/NMRV050 型號來說,采用減速器預緊力矩 HA31,對于 NMRV-P 系列來說,采用 HW 030/040。
意大利MOTOVARIO減速機-有以下組合:
NMRV+NMRV、UDL+NMRV、NRV+NMRV、PC+NMRV;可選:防護蓋、反作用桿、輸出端法蘭、低速軸工具包、力矩限制器、蝸桿密封圈、加強輸出、高/低溫以及用于食品領域的潤滑油、加油口塞/排油口塞/排氣口塞/油量口塞;可用版本:BA - 適用于電動機聯軸節,IBA - 自帶輸入軸,CBA - 自帶緊湊型電動機;通用型外殼;功率達到 5.5KW;經過合格的車銑或研磨曲線加工的齒輪;齒輪有2 和 3 兩個減速段;A40 和 A50 型號的雙曲線錐齒輪,A70 型號的格里森錐齒輪副,所有型號都帶有試車曲線;減速比在 7.62 和 442.76 之間;轉矩大為 450 Nm,可承受的大徑向負載為 10,000N;由鑄模鋁合金鑄造;負荷能力由 ISO 6336 測算并且通過 AGMA 2001 驗證;按照 DIN 1843 標準,采用 RAL 5010 藍色環氧聚酯油漆噴涂;配件:轉矩臂、輸出法蘭、輸出軸、收縮盤、氟橡膠油封件;可用版本:S - 適用于電動機聯軸節,IS - 自帶輸入軸,CS - 自帶緊湊型電動機,PS - 適用于具有柔性接頭的電動機聯軸節;通用型外殼;功率達到 37 kW ;經過合格的車銑或研磨曲線加工的齒輪 ;齒輪有 2 和 3 兩個減速段 ;減速比在 7.34 和 394.69 之間;轉矩大為 3000 Nm,可承受的大徑向負載為 30,000 N;由 G200 灰口鑄鐵鑄造,可承受高強度負載,并以 FEM 分析進行了優化;負荷能力由 ISO 6336 測算并且通過 AGMA 2001 驗證;按照 DIN 1843 標準,采用 RAL 5010 藍色環氧聚酯油漆噴涂;配件:轉矩臂、輸出法蘭、輸出軸、收縮盤、托架裝置、氟橡膠油封件、加固輸出裝置、組裝/拆卸套件。
意大利MOTOVARIO減速機-標配電機:
可用版本:HA - 適用于電動機聯軸節,IHA - 自帶輸入軸,CHA - 自帶緊湊型電動機;外殼具有腳座,法蘭或為通用型功率達到 5.5KW;經過合格的車銑或研磨曲線加工的齒輪;齒輪有 1、2、3 個減速段;減速比在 1.33 和 353.98 之間;轉矩大為 500 Nm,可承受的大徑向負載為 8,000N;由鑄模鋁合金鑄造;負荷能力由 ISO 6336 測算并且通過 AGMA 2001 驗證;按照 DIN 1843 標準,采用 RAL 5010 藍色環氧聚酯油漆噴涂;大小: 002-005-010;功率可達2.2kw;鑄鋁合金壓鑄的箱體;軸:由20MnCr5的鋼通過淬火與回火進行表面硬化(UNI8550) ;內部零件:100Cr6的熱處理鋼;4電機輸出轉速:170/1000;2電機輸出轉速:340/2000;6電機輸出轉速:109/643;大輸出扭矩:12Nm;靜音,無抖動運行;高效率;雙向旋轉;兩邊都可控制定位手輪;滑動速度可達大負載的5%;可調節的靈敏度:0.5rpm;按照DIN1843標準,用RAL5010號藍色環氧聚酯粉噴涂。
購買須知:我司VEMT品牌所有系列產品,標準常用的,倉庫均備有現貨2000臺左右,非常用的需排單定做,請聯系客服咨詢貨期。凡購買我司品牌VEMT系列產品,不分價格高低,兩年內免費維修,免費換新。兩年后免費維修,只收取零件成本費用,包含海外以及港澳臺區域。因各種設備企業對產品的要求標準不同,如果您的設備是出口的,請告知客服轉接我司VEMT工程部,告知您的高標準,我們VEMT工程部會為您量身定做百分百符合要求的產品。
跟此產品相關的產品 / Related Products
聯系祥如機電
全國咨詢熱線
13528634927
微信13528634927








