jdlb045雙導程蝸輪蝸桿減速機JDLB045
高精度雙導程蝸輪蝸桿減速機是一種機械傳動裝置,主要用于工業生產中需要高精度控制的自動化生產線和機器人等設備中。它是由蝸輪、蝸桿、軸承、殼體等部件組成。其中,減速機蝸桿的螺旋角度和蝸輪的齒數決定了減速比,而雙導程設計使得它具有更高的傳動精度和更低的回程間隙。高精度雙導程蝸輪蝸桿減速機具有體積小、重量輕、傳動平穩、噪音低等特點,廣泛應用于各種高精度控制和定位的設備中。
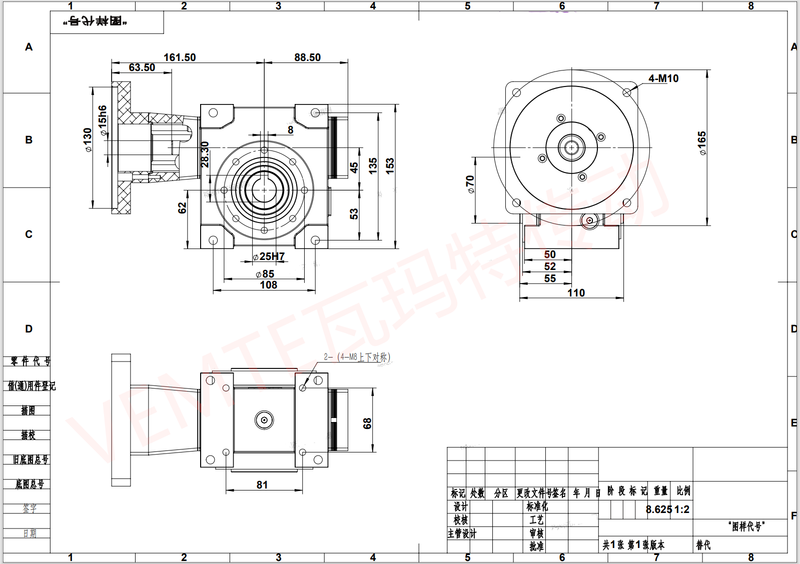
需要高清尺寸圖紙或者是性能參數,請聯系客服,不同的輸入輸出配置,對應的安裝尺寸圖紙有差異。
此文關鍵字:jdlb045雙導程蝸輪蝸桿減速機
















