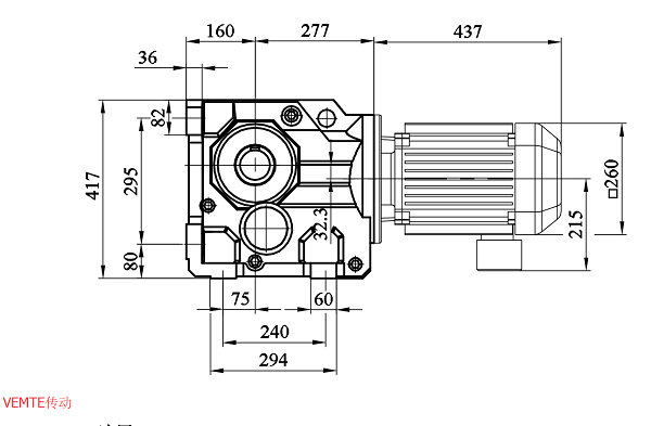
GK97-70.54-Y2-132M-4-ZB-M4直角傘齒輪減速機
在用戶選型的過程中或者是一些采購的購買過程中,有的用戶并不知道這款齒輪減速機的含義是什么,所以今天要解釋減速機型號是GK97-70.54-Y2-132M-4-ZB-M4。這是VEMTE傳動給一公司供的減速機型號,此型號沒有現貨,需訂單,貨期可加急處理。這個減速機的型號所表示的意思是:
G表示的是斜齒輪類型的減速機
K表示的是減速機的一種類型,簡稱是K系列減速機,屬于傘齒輪直角輸出,臥式安裝的減速機;
97是K系列減速機下的一個型號,大一個規格是107,小一個規格是87
70.55表示的是電機減速機組合之后的減速比,他的計算方式是減速比=減速機的輸入速度÷減速機的輸出速度
Y2是表示電機的類型
132M是電機機座號,因為一個機座號可能對應多個電機的功率大小,所以后面加了一個1去進行區分
4表示的是電機的極數,電機有2/4/6/8/10等不同的極數
ZB是某個部件的特定的標識方式
M4是減速機電機一體機的安裝方式
在用戶選型的過程中或者是一些采購的購買過程中,有的用戶并不知道這款齒輪減速機的含義是什么,所以今天要解釋減速機型號是GK97-70.54-Y2-132M-4-ZB-M4。這是VEMTE傳動給一公司供的減速機型號,此型號沒有現貨,需訂單,貨期可加急處理。這個減速機的型號所表示的意思是:
G表示的是斜齒輪類型的減速機
K表示的是減速機的一種類型,簡稱是K系列減速機,屬于傘齒輪直角輸出,臥式安裝的減速機;
97是K系列減速機下的一個型號,大一個規格是107,小一個規格是87
70.55表示的是電機減速機組合之后的減速比,他的計算方式是減速比=減速機的輸入速度÷減速機的輸出速度
Y2是表示電機的類型
132M是電機機座號,因為一個機座號可能對應多個電機的功率大小,所以后面加了一個1去進行區分
4表示的是電機的極數,電機有2/4/6/8/10等不同的極數
ZB是某個部件的特定的標識方式
M4是減速機電機一體機的安裝方式
以上是這個直角減速機型號的一些具體的含義
下面是這個K系列減速機類似的減速機型號表示方式
K97DV90M4
K97DV100M4
K97DV112M4
K97DV132M4
K97DV160M4
K97DV180M4
K97DV200M4
K97DT90M4
K97DT100M4
K97DT112M4
K97DT132M4
K97DT160M4
K97DT180M4
K97DT200M4
K97DRS90M4
K97DRS100M4
K97DRS112M4
K97DRS132M4
K97DRS160M4
K97DRS180M4
K97DRS200M4
K97DRE90M4
K97DRE100M4
K97DRE112M4
K97DRE132M4
K97DRE160M4
K97DRE180M4
K97DRE200M4
更多的K系列減速機型號可以查看:http://m.5x5d.com/kxiliejiansuji.html
















